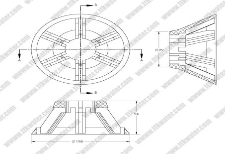
مخروطی رانش پرشر وسل یا گلدانی پرشر وسل (Thrust Cone) قطعهای است در وسلهای هشت اینچ تولید شرکت طراحان تصفیه کاربرد دارد و در قسمت خروجی پساب قرار می گیرد و به کپ وسل قفل می گردد
جنس مخروطی رانش وسل یا گلدانی وسل از ترموپلاستیک مهندسی می باشد
مخروطی یا گلدنی پرشر وسل تولید طراحان تصفیه می تواند از آسیب جدی به ممبران داخل وسل جلوگیری کند. این آسیب می تواند ناشی از فشار ناگهانی آب و یا تمرکز دبی و فشار آب در یک نقطه بر روی ممبران باشد. و یا می تواند از جاگذاری ممبران و کپ وسل نشات گرفته باشد.
مخروطی رانش وسل تولید شرکت طراحان تصفیه در سمتی از وسل قرار می گیرد که پساب از وسل خارج میگردد و حتما باید به پیمهای روی کپ قفل گردد. قفل نشدن مخروطی باعث می گردد که گلدانی در بین کپ و ممبران ازاد بماند و در حین خروج آب از وسل به ممبران و یا کپ ضربه بزند و همچنین ایجاد صدا در داخل وسل می نماید. سمت مقطع کوچکتر گلدانی دارای مکانی است که پیمهای کپ به آنها قفل می گردد. لذا مقطع کوچک مخروطی به سمت کپ و مقطع بزرکتر به سمت ممبران قرارا می گیرد.







Copyright © 2022 کلیه حقوق مادي و معنوي این سایت محفوظ و متعلق به شرکت طراحان تصفیه مي باشد . هرگونه کپی برداری با ذکر منبع بلا مانع است
لینکهای ارتباطی شرکت
ایمیل
co_ttk@yahoo.com
تلگرام
Telegram ID : @ttkco
کانال
Telegram channel : @ttkwater
اسکایپ
Skype: ttkwater
تلفن
02636107120
02636107130
02636107251
02636107248
02636107950
فکس
02636107949
آدرس شرکت:
جاده مخصوص تهران-کرج
کیلومتر 26
خیابان سروستان
کوچه سوم غربی
پلاک 165

